OLHAL TORNEADO TOP LUBRIFICADO

OLHAL TORNEADO TOP LUBRIFICADO

Descrição

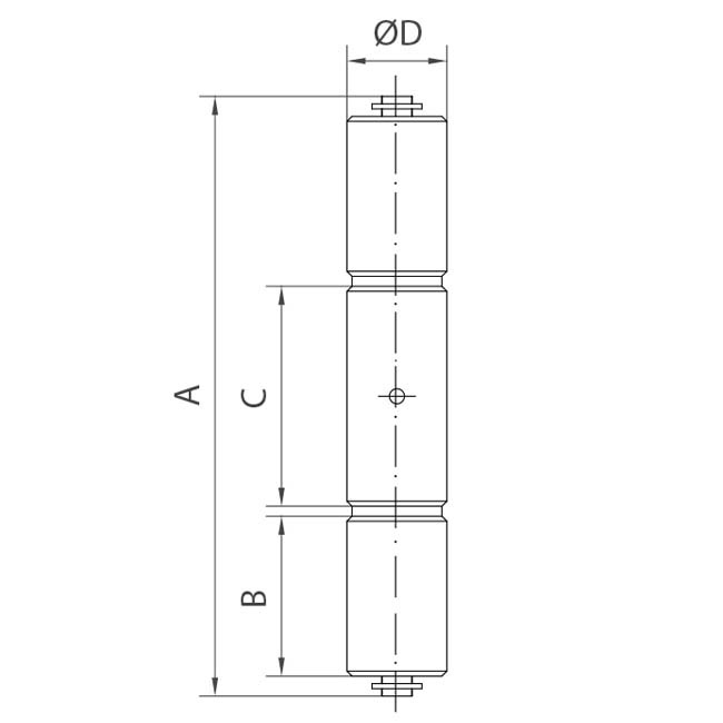
OLHAL DE 3 CORPOS C/ ANILHAS LATÃO E FURO P/ LUBRIFICAÇÃO.

MATERIAL: Aço Inox 303  /  Ferro Polido

Consultar anexos.

  • Esquema Olhal Top.jpg

  • Detalhe Medidas.jpg